02 CubeMX配置引脚
上一篇:01 工程创建
下一篇:03 LED驱动编写
作者:桂信科黄鹏老师。note部分是我添加的内容
主要内容
在CubeMX配置好主板所有外设的引脚。
一、共阳LED引脚
注意
LCD_D8~LCD_D15与LED1~LED8共用引脚
| MCU_IO名称 | 功能 | I/O | 默认电平 | 模式 | 上拉下拉 |
|---|---|---|---|---|---|
| PC8 | LCD_D8 、LED1 | 输出 | 高 | 推挽 | 无 |
| PC9 | LCD_D9 、LED2 | 输出 | 高 | 推挽 | 无 |
| PC10 | LCD_D10 、LED3 | 输出 | 高 | 推挽 | 无 |
| PC11 | LCD_D11 、LED4 | 输出 | 高 | 推挽 | 无 |
| PC12 | LCD_D12 、LED5 | 输出 | 高 | 推挽 | 无 |
| PC13 | LCD_D13 、LED6 | 输出 | 高 | 推挽 | 无 |
| PC14 | LCD_D14 、LED7 | 输出 | 高 | 推挽 | 无 |
| PC15 | LCD_D15 、LED8 | 输出 | 高 | 推挽 | 无 |
| PD2 | LED_Latch | 输出 | 低 | 推挽 | 上拉 |
CubeMX中配置引脚为推挽输出模式,默认电平为高,注意要写上User Label方便编程识别。配置如下:

原理图如下:


二、独立按键引脚
| MCU_IO名称 | 功能 | I/O | 上拉下拉 |
|---|---|---|---|
| PB0 | B1 | 输入 | 上拉 |
| PB1 | B2 | 输入 | 上拉 |
| PB2 | B3 | 输入 | 上拉 |
| PA0 | B4 | 输入 | 上拉 |
CubeMX中配置引脚为上拉输入模式,注意要写上User Label方便编程识别。配置如下:

原理图:

三、LCD引脚
注意
其中LCD_D8~LCD_D15在配置LED引脚时已经配置了。
| MCU_IO名称 | 功能 | I/O | 模式 | |
|---|---|---|---|---|
| PB9 | LCD_CS# | 输出 | 推挽 | |
| PB8 | LCD_RS | 输出 | 推挽 | |
| PB5 | LCD_WR# | 输出 | 推挽 | |
| PA8 | LCD_RD | 输出 | 推挽 | |
| 硬件复位 | LCD_RST | 输出 | 推挽 | |
| PC0 | LCD_D0 | 输出 | 推挽 | |
| PC1 | LCD_D1 | 输出 | 推挽 | |
| PC2 | LCD_D2 | 输出 | 推挽 | |
| PC3 | LCD_D3 | 输出 | 推挽 | |
| PC4 | LCD_D4 | 输出 | 推挽 | |
| PC5 | LCD_D5 | 输出 | 推挽 | |
| PC6 | LCD_D6 | 输出 | 推挽 | |
| PC7 | LCD_D7 | 输出 | 推挽 | |
| PC8~PC15 | LCD_D8~LCD_D15 已配置 |
CubeMX配置引脚为推挽输出模式,注意要写上User Label方便编程识别。配置如下:

原理图:

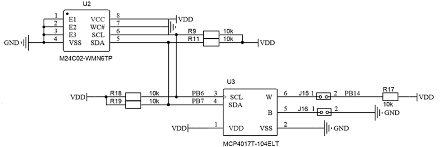
四、I2C引脚
注意
组委会提供的I2C驱动代码是软件模拟I2C,并不使用硬件I2C。所以配置引脚时不需要设置复用模式,只需要设置为通用输出即可。
| MCU_IO名称 | 功能 | I/O | 模式 |
|---|---|---|---|
| PB6 | SCL | 输出 | 推挽 |
| PB7 | SDA | 输出 | 开漏 |
CubeMX配置PB6|SCL设置为推挽输出模式,PB7|SDA设置为开漏输出模式,注意要写上User Label方便编程识别。配置如下:

原理图:

Note
本章内容和原理图息息相关,其实在M4开发板手册中给出了各外设的原理图部分,凭外设特点在CubeMX配置好即可开始应用层的开发。
上一篇:01 工程创建
下一篇:03 LED驱动编写